产品中心
产品中心
产品中心
正常使用条件
◆ 周围空气温度
◇ 周围空气温度上限为+40℃;
◇ 周围空气温度下限为-5℃;
◇ 周围空气温度24h的平均值不超过+35℃。
◆ 海拔:安装地点的海拔不超过2000m。
◆ 大气条件:
大气相对湿度在周围空气温度为+40℃时不超过50%;在较低温度下可以有较高的相对湿度;最湿月的月平均最大相对湿度为90%,
同时该月的月平均最低温度为+25℃,并考虑到因温度变化发生在产品表面上的凝露。
◆ 污染等级:污染等级为3级。
主要技术参数
断路器的额定值
型号:FSM1-63L/125L/250L/400L/630L/800L/1250L
FSM1-63H/125H/250H/400H/630H/800H/1250H
壳架等级额定电流(A):63~1250
额定电流(A):10~1250
额定工作电压Ue(V):400
额定绝缘电压Ui(V):800
额定极限短路分断能力(kA)400V:25*~100
额定运行短路分断能力(kA)400V:18*~100
可维护机械寿命(次):5000/10000/20000
电气寿命AC400V(次):800/2000/3000
极数:2/3/4
飞5瓜距离(mm):≤50/≤100
配电用断路器过电流脱扣器各极同时通电时的反时限断开动作特性
试验电流名称:约定不脱扣电流:1.05I/in
约定时间:2h(In>63A),1h(ln≤63A)
起始状态:冷态
试验电流名称:约定脱扣电流:1.30I/in
约定时间:2h(ln>63A), h(ln≤63A)
起始状态:紧接着试验一后开始
电动机保护用断路器过电流脱扣器各极同时通电时的反时限断开动作特性
1.0I/in—约定时间>2h—起始状态—冷态
1.2I/in—约定时间≤2h—起始状态—紧接着试验一后开始
1.5I/in—约定时间≤2min—起始状态—热态—备注:In≤25
≤8min—起始状态—热态—备注:25A<In≤800A
7.2I/in—约定时间0.5s≤T≤5S—起始状态—冷态—备注:In≤25A
6s≤T≤20s—起始状态—冷态—备注:25A<In≤800A
断路器的内部附件和外部附件
◆ 断路器的内部附件
◇ 欠电压脱扣器
当电压下降(甚至缓慢下降)到额定电压的70%和35%范围内,欠电压脱扣器应动作;欠电压脱扣器在电源电压低于脱扣器电压的
35%时,欠电压脱扣器应能防止断路器闭合;电源电压等于或大于85%时,应能保证断路器闭合。
特别提醒:装有欠电压脱扣器的断路器,只有在欠电压通以额定电压的情况下,断路器才能正常分合闸。
欠电压脱扣器额定电压及频率
A2电压规格:AC230V
A2额定频率:50Hz
A4电压规格:AC400V
A4额定频率:50Hz
◇分励脱扣器
在70%~110%的额定电压下断路器能可靠断开
分励脱扣器的额定电压及频率
A2电压规格:AC230V
A2额定频率:50Hz
A4电压规格:AC400V
A4额定频率:50Hz
D3电压规格:DC24V
注:电压规格选用DC24V时,额定电流达到5A±0.5。
过电流特性曲线
FSM1-63 时间/电流特性曲线

FSM1-250 时间/电流特性曲线

FSM1-125 时间/电流特性曲线

FSM1-400 时间/电流特性曲线

FSM1-630 时间/电流特性曲线(配电用)

FSM1-800/1250 时间/电流特性曲线(配电用)

外形及安装尺寸(单位:mm)
FSM1-63、125、250外形及安装尺寸(板前接线)


注:*为FSM 1-125/3 P透明盖产品尺寸
FSM1-400、630、800、1250外形及安装尺寸(板前接线)


注:FSM1-1250H(加本体联结板)总长为545mm。
FSM1-63、125、250外形及安装尺寸(板后接线)

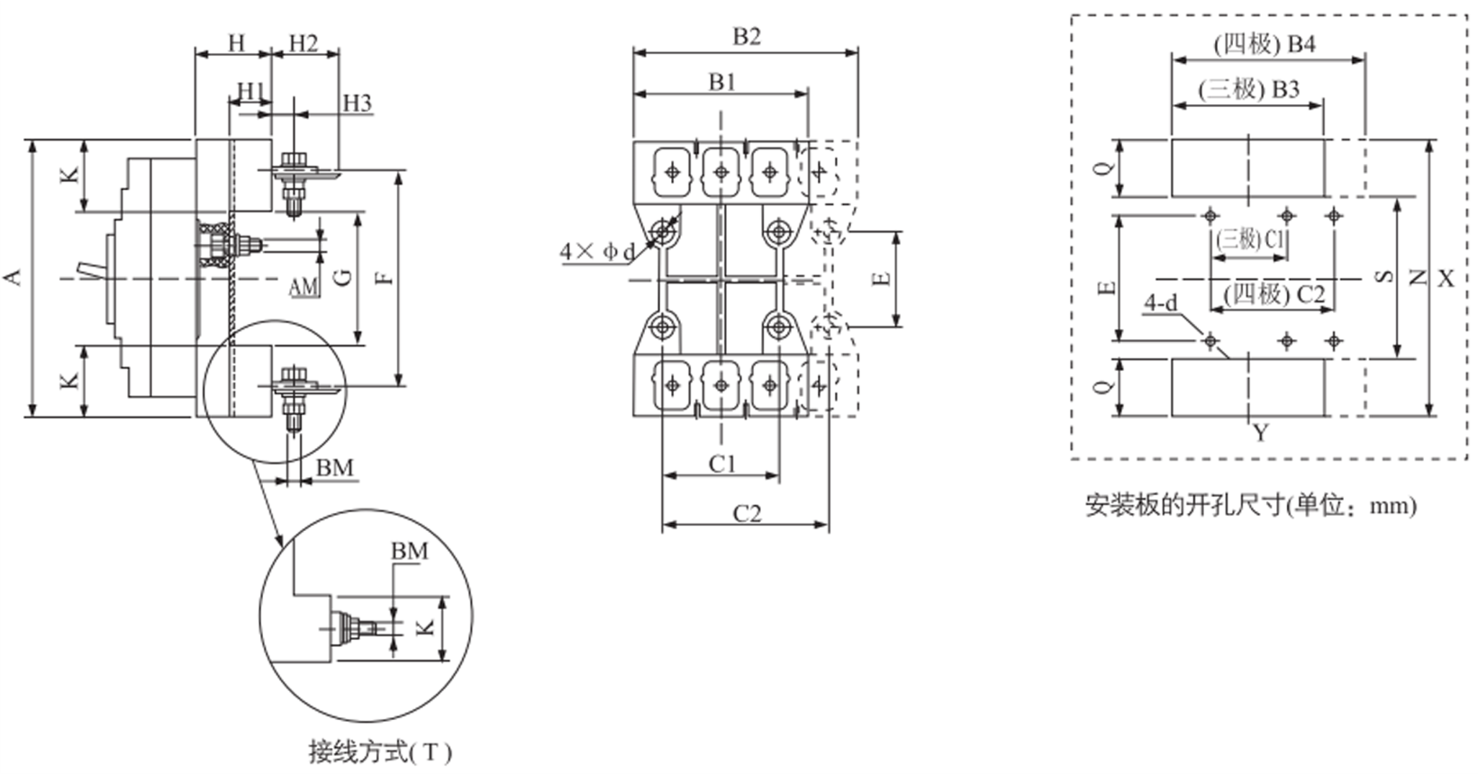
FSM1-400、630、800外形及安装尺寸(板后接线)

板后接线开孔图

插入式外形及安装尺寸

插入式外形及安装尺寸 (单位:mm)

电动操作机构安装尺寸图

安装开孔示意图
FSM1-1250手柄安装开孔示意图


正常使用条件
◆ 周围空气温度
◇ 周围空气温度上限为+40℃;
◇ 周围空气温度下限为-5℃;
◇ 周围空气温度24h的平均值不超过+35℃。
◆ 海拔:安装地点的海拔不超过2000m。
◆ 大气条件:
大气相对湿度在周围空气温度为+40℃时不超过50%;在较低温度下可以有较高的相对湿度;最湿月的月平均最大相对湿度为90%,
同时该月的月平均最低温度为+25℃,并考虑到因温度变化发生在产品表面上的凝露。
◆ 污染等级:污染等级为3级。
主要技术参数
断路器的额定值
型号:FSM1-63L/125L/250L/400L/630L/800L/1250L
FSM1-63H/125H/250H/400H/630H/800H/1250H
壳架等级额定电流(A):63~1250
额定电流(A):10~1250
额定工作电压Ue(V):400
额定绝缘电压Ui(V):800
额定极限短路分断能力(kA)400V:25*~100
额定运行短路分断能力(kA)400V:18*~100
可维护机械寿命(次):5000/10000/20000
电气寿命AC400V(次):800/2000/3000
极数:2/3/4
飞5瓜距离(mm):≤50/≤100
配电用断路器过电流脱扣器各极同时通电时的反时限断开动作特性
试验电流名称:约定不脱扣电流:1.05I/in
约定时间:2h(In>63A),1h(ln≤63A)
起始状态:冷态
试验电流名称:约定脱扣电流:1.30I/in
约定时间:2h(ln>63A), h(ln≤63A)
起始状态:紧接着试验一后开始
电动机保护用断路器过电流脱扣器各极同时通电时的反时限断开动作特性
1.0I/in—约定时间>2h—起始状态—冷态
1.2I/in—约定时间≤2h—起始状态—紧接着试验一后开始
1.5I/in—约定时间≤2min—起始状态—热态—备注:In≤25
≤8min—起始状态—热态—备注:25A<In≤800A
7.2I/in—约定时间0.5s≤T≤5S—起始状态—冷态—备注:In≤25A
6s≤T≤20s—起始状态—冷态—备注:25A<In≤800A
断路器的内部附件和外部附件
◆ 断路器的内部附件
◇ 欠电压脱扣器
当电压下降(甚至缓慢下降)到额定电压的70%和35%范围内,欠电压脱扣器应动作;欠电压脱扣器在电源电压低于脱扣器电压的
35%时,欠电压脱扣器应能防止断路器闭合;电源电压等于或大于85%时,应能保证断路器闭合。
特别提醒:装有欠电压脱扣器的断路器,只有在欠电压通以额定电压的情况下,断路器才能正常分合闸。
欠电压脱扣器额定电压及频率
A2电压规格:AC230V
A2额定频率:50Hz
A4电压规格:AC400V
A4额定频率:50Hz
◇分励脱扣器
在70%~110%的额定电压下断路器能可靠断开
分励脱扣器的额定电压及频率
A2电压规格:AC230V
A2额定频率:50Hz
A4电压规格:AC400V
A4额定频率:50Hz
D3电压规格:DC24V
注:电压规格选用DC24V时,额定电流达到5A±0.5。
过电流特性曲线
FSM1-63 时间/电流特性曲线

FSM1-250 时间/电流特性曲线

FSM1-125 时间/电流特性曲线

FSM1-400 时间/电流特性曲线

FSM1-630 时间/电流特性曲线(配电用)

FSM1-800/1250 时间/电流特性曲线(配电用)

外形及安装尺寸(单位:mm)
FSM1-63、125、250外形及安装尺寸(板前接线)


注:*为FSM 1-125/3 P透明盖产品尺寸
FSM1-400、630、800、1250外形及安装尺寸(板前接线)


注:FSM1-1250H(加本体联结板)总长为545mm。
FSM1-63、125、250外形及安装尺寸(板后接线)

FSM1-400、630、800外形及安装尺寸(板后接线)

板后接线开孔图

插入式外形及安装尺寸

插入式外形及安装尺寸 (单位:mm)

电动操作机构安装尺寸图

安装开孔示意图
FSM1-1250手柄安装开孔示意图


正常使用条件
◆ 周围空气温度
◇ 周围空气温度上限为+40℃;
◇ 周围空气温度下限为-5℃;
◇ 周围空气温度24h的平均值不超过+35℃。
◆ 海拔:安装地点的海拔不超过2000m。
◆ 大气条件:
大气相对湿度在周围空气温度为+40℃时不超过50%;在较低温度下可以有较高的相对湿度;最湿月的月平均最大相对湿度为90%,
同时该月的月平均最低温度为+25℃,并考虑到因温度变化发生在产品表面上的凝露。
◆ 污染等级:污染等级为3级。
主要技术参数
断路器的额定值
型号:FSM1-63L/125L/250L/400L/630L/800L/1250L
FSM1-63H/125H/250H/400H/630H/800H/1250H
壳架等级额定电流(A):63~1250
额定电流(A):10~1250
额定工作电压Ue(V):400
额定绝缘电压Ui(V):800
额定极限短路分断能力(kA)400V:25*~100
额定运行短路分断能力(kA)400V:18*~100
可维护机械寿命(次):5000/10000/20000
电气寿命AC400V(次):800/2000/3000
极数:2/3/4
飞5瓜距离(mm):≤50/≤100
配电用断路器过电流脱扣器各极同时通电时的反时限断开动作特性
试验电流名称:约定不脱扣电流:1.05I/in
约定时间:2h(In>63A),1h(ln≤63A)
起始状态:冷态
试验电流名称:约定脱扣电流:1.30I/in
约定时间:2h(ln>63A), h(ln≤63A)
起始状态:紧接着试验一后开始
电动机保护用断路器过电流脱扣器各极同时通电时的反时限断开动作特性
1.0I/in—约定时间>2h—起始状态—冷态
1.2I/in—约定时间≤2h—起始状态—紧接着试验一后开始
1.5I/in—约定时间≤2min—起始状态—热态—备注:In≤25
≤8min—起始状态—热态—备注:25A<In≤800A
7.2I/in—约定时间0.5s≤T≤5S—起始状态—冷态—备注:In≤25A
6s≤T≤20s—起始状态—冷态—备注:25A<In≤800A
断路器的内部附件和外部附件
◆ 断路器的内部附件
◇ 欠电压脱扣器
当电压下降(甚至缓慢下降)到额定电压的70%和35%范围内,欠电压脱扣器应动作;欠电压脱扣器在电源电压低于脱扣器电压的
35%时,欠电压脱扣器应能防止断路器闭合;电源电压等于或大于85%时,应能保证断路器闭合。
特别提醒:装有欠电压脱扣器的断路器,只有在欠电压通以额定电压的情况下,断路器才能正常分合闸。
欠电压脱扣器额定电压及频率
A2电压规格:AC230V
A2额定频率:50Hz
A4电压规格:AC400V
A4额定频率:50Hz
◇分励脱扣器
在70%~110%的额定电压下断路器能可靠断开
分励脱扣器的额定电压及频率
A2电压规格:AC230V
A2额定频率:50Hz
A4电压规格:AC400V
A4额定频率:50Hz
D3电压规格:DC24V
注:电压规格选用DC24V时,额定电流达到5A±0.5。
过电流特性曲线
FSM1-63 时间/电流特性曲线

FSM1-250 时间/电流特性曲线

FSM1-125 时间/电流特性曲线

FSM1-400 时间/电流特性曲线

FSM1-630 时间/电流特性曲线(配电用)

FSM1-800/1250 时间/电流特性曲线(配电用)

外形及安装尺寸(单位:mm)
FSM1-63、125、250外形及安装尺寸(板前接线)


注:*为FSM 1-125/3 P透明盖产品尺寸
FSM1-400、630、800、1250外形及安装尺寸(板前接线)


注:FSM1-1250H(加本体联结板)总长为545mm。
FSM1-63、125、250外形及安装尺寸(板后接线)

FSM1-400、630、800外形及安装尺寸(板后接线)

板后接线开孔图

插入式外形及安装尺寸

插入式外形及安装尺寸 (单位:mm)

电动操作机构安装尺寸图

安装开孔示意图
FSM1-1250手柄安装开孔示意图


技术支持:网贸传媒科技 备案号:粤ICP备2024305252号-1
Copyright © 2024 菲斯科电气(深圳)有限公司 版权所有
菲斯科电气(深圳)有限公司
服务热线:400-990-0152
公司地址:广东省深圳市龙岗区横岗街道深莲路8号
服务理念:服务用心,品质至上,让客户满意。
技术支持:网贸传媒科技 备案号:粤ICP备2024305252号-1
Copyright © 2024 菲斯科电气(深圳)有限公司 版权所有
技术支持:网贸传媒科技
备案号:粤ICP备2024305252号-1